LW38-126型戶外自能式高壓六氟化硫斷路器:
1.LW38-126型戶外自能式高壓六氟化硫斷路器(配SRCT36-C彈簧機構),它詳細描述了斷路器的安裝使用和維護的有關內容,以及在此過程中需要注意的安全規范和可能出現的危險。任何操作人員在安裝和使用斷路器前需仔細閱讀本說明書,在確保熟悉相關內容后方可操作。如果仍有疑問或需要更詳細的資料,請與制造商聯系。
2.LW36-126型戶外自能式高壓六氟化硫斷路器適用于交流50Hz、126kV的電力系統中,是電力系統的控制和保護設備,也可以作為聯絡斷路器使用。
3.斷路器符合GB1984-2003《高壓交流斷路器》和IEC62271-100-2001《高壓交流斷路器》及QJ/RG.30.03.54-1999《LW36-126自能式斷路器技術條件》的要求。斷路器以SF6氣體為絕緣和滅弧介質,采用自能式滅弧原理,配用新型彈簧操動機構,具有開斷能力強,操作功小,可靠性高的特點。
4.使用環境條件正常使用環境條件符合GB/T11022-1999《高壓開關設備和控制設備標準的共用技術要求》的規定,即:
- 周圍環境溫度 -40oC ~+40oC;
- 海拔高度 不超過3000m;
- 風速 不大于34m/s;
- 日溫差 不大于25oC;
- 日照強度 不大于0.1w/cm;
- 月平均相對濕度 不大于90%;
- 地震加速度 水平不大于0.2g,垂直不大于0.1g;
- 覆冰厚度 不大于10mm;
- 空氣污穢程度 不超過GB5582中的Ⅳ級;
- 安裝場合 戶外。
如果用戶有特殊使用環境條件要求,可與制造商另行協商。
5.本手冊在敘述過程中分“注意”和“警告”兩類提示,對于“注意”的有關內容,若不執行有可能造成不便或輕微傷害,對于“警告”的內容,若不執行有可能造成人身傷害或設備損壞,此兩類提示均以黑體字示出。
6.產品結構特點
斷路器采用三相瓷瓶支柱式結構,為戶外設計,三相配用一個SRCT36-C彈簧操動機構,居中布置,三相連動,故外觀新穎精致。斷路器以SF6氣體作為絕緣和滅弧介質,運行時斷路器三極SF6氣體應連通,并采用指針式密度繼電器對其壓力和密度進行監控。由于采用自能式滅弧原理,且在斷路器運動系統中進行了優化設計,故有效的提高了機械效率,最大限度的降低了操作功。
7.主要技術參數
7.1斷路器主要技術參數見表1。
表 1
序號 |
項目 |
單位 |
參數 |
參數 |
|
LW38-126W/ T3150-40 |
LW38-126W/ T3150-31.5(H) |
||||
1 |
適用環境 |
|
正常 |
高寒地區適用型 |
|
2 |
額定電壓 |
kV |
126 |
||
3 |
額定工頻耐受電壓(1min) |
對地 |
K·230 |
||
斷口間 |
K·(230+73) |
||||
4 |
額定雷電沖擊耐受電壓 |
對地 |
K·550 |
||
斷口間 |
K·(550+103) |
||||
5 |
SF6氣體零表壓時的工頻耐受電壓(5min) |
K·95 |
|||
6 |
額定頻率 |
Hz |
50 |
||
7 |
額定電流 |
A |
3150 |
||
8 |
首開級系數 |
|
1.5 |
||
9 |
額定短路開斷電流IK |
kA |
40 |
31.5 |
|
10 |
額定短路關合電流(峰值) |
100 |
80 |
||
11 |
額定短路耐受電流 |
40 |
31.5 |
||
12 |
額定峰值耐受電流 |
100 |
80 |
||
13 |
額定短路持續時間 |
s |
4 |
||
14 |
額定失步開斷電流 |
kA |
10 |
8 |
|
15 |
近區故障開斷電流 |
kA |
90%Ik ,75%Ik |
||
16 |
額定線路充電開合電流 |
A |
31.5 |
||
17 |
額定操作順序 |
|
O-0.3s-CO-180s-CO |
||
18 |
主回路電阻 |
μΩ |
≤35 |
||
19 |
額定六氟化硫氣體壓力(20oC表壓) |
MPa |
0.6 |
0.45 |
|
20 |
報警/最低功能壓力(20oC表壓)* |
0.55±0.015/0.50±0.015 |
0.40±0.015/0.34±0.015 |
||
21 |
SF6氣體年漏氣率 |
|
≤0.5% |
||
22 |
SF6氣體水分含量(V/V) |
ppm |
≤150 |
||
23 |
機械壽命 |
次 |
6000或10000 |
||
24 |
無線電干擾電平 |
μV |
≤500 |
||
25 |
爬電距離 |
斷口間 |
mm |
3906/3150 |
|
對地 |
3906/3150 |
||||
26 |
每臺充入SF6氣體質量 |
kg |
8 |
||
27 |
每臺斷路器質量 |
1700 |
注:K-——海拔修正系數,海拔2000m時K=1.13;海拔3000 m時K=1.28;
*——如采用進口雙金屬彈簧片補償的密度繼電器,精度均為±0.025。
7.2 機構主要技術參數見表2。
表2
序號 |
項目 |
單位 |
參數 |
|
1 |
輔助回路電壓 |
V |
DC220或AC220 |
|
2 |
分閘線圈電壓/電流 |
V/A |
DC110/4; DC220/2; AC220/5 |
|
3 |
合閘線圈電壓/電流 |
V/A |
DC110/2.6; DC220/1.3; AC220/5 |
|
4 |
儲能電機 |
額定電壓 |
V |
DC220或AC220 |
正常工作電壓范圍 |
V |
85%~110% |
||
功率 |
W |
720 |
||
5 |
電動機儲能時間 |
S |
≤20 |
|
6 |
加熱器及照明回路電壓 |
V |
AC220 |
|
7 |
輔助開關額定電壓 |
V |
DC220 |
|
8 |
輔助開關額定電流 |
A |
10 |
|
9 |
輔助開關接點數 |
|
11常開+11常閉 |
7.3 產品的機械調整參數見表3。
表3
序號 |
項目 |
單位 |
參數 |
1 |
斷路器極間中心距 |
mm |
1700 |
2 |
動觸頭行程 |
mm |
120 +3 0 |
3 |
動觸頭接觸行程 |
mm |
25 +3 0 |
4 |
斷路器相間操作連桿行程(弦長) |
mm |
110 +3 0 |
5 |
分閘速度 |
m/s |
5.0±0.5 |
6 |
合閘速度 |
m/s |
3.0±0.5 |
7 |
分閘時間 |
ms |
≤38 |
8 |
合閘時間 |
ms |
70±8 |
9 |
開斷時間 |
ms |
≤60 |
10 |
合-分時間 |
ms |
35~50 |
11 |
分-合時間 |
ms |
300 |
12 |
三相分閘不同期性(時差) |
ms |
≤2 |
13 |
三相合閘不同期性(時差) |
ms |
≤3 |
7.4斷路器的整體結構特點
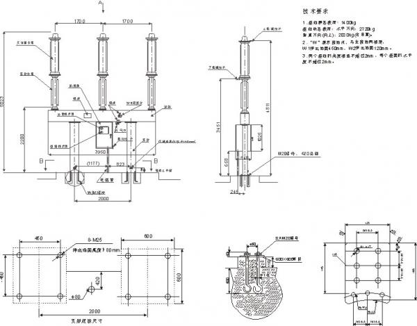
該型斷路器的整體結構如圖1所示,三個極柱安裝在共同的基座上。控制柜居中吊裝在基座下面,柜內裝有彈簧操動機構和控制單元,機構的輸出桿與中相的拐臂相連。并通過操作連桿與A相、C相斷路器的拐臂箱連接進行分、合閘操作。三相SF6氣體連通,并采用SF6氣體密度繼電器對斷路器內的SF6氣體密度進行監控(密度繼電器在產品允許工作范圍內,無需拆卸,均可現場校驗。如確需拆下校驗,需注意密度繼電器接頭端密封圈需裝配正確,防止漏氣)。
7.5基座
基座(圖1所示序2)起支撐三瓷柱并連接控制柜的作用,是由厚鋼板整體彎制而成,再蓋上相應的蓋板后,能滿足GB/T11022-1999《高壓開關設備和控制設備標準的共用技術要求》的IP2X防護等級。基座正面有分、合指示牌,基座內有三相SF6氣體充氣管路和指針式密度繼電器,背面有密度繼電器觀察孔可觀察到SF6氣體的壓力值。在未接極柱充氣閥時,充氣管內的氣體處于密封狀態,壓力表顯示的數值為管路內的壓力。另外基座內還裝有多通體及LF-1截止閥,通過多通體可對本體內充氣及放氣,同時截止閥可將密度繼電器內氣體與本體內的氣體隔離,便于密度繼電器的校驗及檢修。
附件Ⅱ:LW38-126斷路器外形及安裝基礎圖 (不銹鋼外殼)
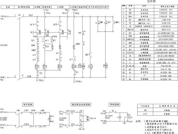
附件Ⅲ: LW38-126斷路器電氣控制原理圖
推薦資訊 / Recommended News
- 2022-08-24 持久淺談真空斷路器的理倫
- 2022-08-24 持久淺淡真空斷路器
- 2022-08-24 智能真空斷路器的技術問題解答
- 2022-08-24 ZW32真空斷路器核心作用
- 2022-08-24 真空斷路器比較難處理的問題
- 2022-08-24 高壓真空斷路器的維護安裝
- 2022-07-23 真空斷路器壽命是哪些因素影響的
- 2022-07-23 真空斷路器跳閘次數多有沒有影響
- 2022-07-23 真空斷路器試驗過程中的事項
- 2022-07-23 真空斷路器原則和功能的研究范圍