一、概述
LW36A-126/145型高壓交流六氟化硫斷路器是在LW36-126基礎上,進行了改進、提高、完善,聯合研制而成的新一代自能式高壓六氟化硫斷路器。產品適用于海拔2500米以下地區交流50Hz、126kV的電力系統關合、切斷負載電流和短路故障電流、控制、保護電力設備和聯絡線路。斷路器以SF6氣體(高寒地區采用SF6和CF4混合氣體)為絕緣和滅弧介質,采用自能式滅弧原理,配用彈簧操動機構,具有開斷能力強,操作功小,可靠性高的特點。
二、型號及含義

三、使用環境條件
正常使用條件符臺GB/T11022-1999《高壓開關設備通用技術條件》的規定,即:
a、周圍環境:+40度~-40度
b、海拔不超過1000m(Lw36-126G可用于3000m)
c、風壓≤700Pa
d、日溫差:25攝氏度
e、日照強度:≤1w/平方厘米
f、抗震能力:水平加速度0.25g
z、覆冰厚度:≤1Omm
h、污穢程度,Ⅲ級
i、安裝場所:戶外
四、性能特點
■開斷性能可靠:采用先進的自能式滅弧技術,能連續開斷40kA短路電流22次不檢修。
■機械操作性能可靠:斷路器連續操作機械壽命達6000次,經過簡單調整,可達10000次以上,具有很高的操作可靠性。
■絕緣能力可靠:外絕緣爬電比距≥3lmm/kV,耐污穢能力強,適用于海拔不超過3000m的惡劣環境安全運行,絕緣拉桿在空氣中可耐受250kV/5min。
■密封性能可靠:確保六氟化硫氣體年漏氣率遠小于0.5%。
■產品零部件除濕工藝嚴格:SF6水分含量遠低于同類產品。
■斷路器采用自能式滅弧原理,操作功低。
■滅弧室閥片采用新型的耐高溫、重量輕的特殊合金制成,與同類產品采用傳統材料相比,氣流特性和開斷性能更穩定可靠。
■噴口采用進口PTFE(聚四氟乙烯)添加其它微量組分構成,開斷性能穩定,耐燒能力強。
■采用優質瓷套,其抗彎性能好,生產工藝先進,質量控制嚴格可靠,能保證斷路器的安全運行。
■斷路器絕緣拉桿采用本公司特有的防松措施,使斷路器運行更可靠。
■采用操作功小、重量輕、噪聲低的彈簧操動機構,無泄漏,可靠性高。
■機構內重要零部件采用優質合金鋼鍛造而成,強度高,耐磨損,能保證斷路器頻繁操作,故障率低。
■二次回路電器元件和SF6密度控制器采用優質產品。
■產品外觀新穎明快,結構緊湊。安裝底架采用厚鋼板整體彎制而成,表面采用熱浸鋅工藝,外露緊固件采用高強度的熱鍍鋅螺栓,相間傳動連桿采用高強度的鋁型材或不銹鋼型材,機構箱體為不銹鋼,產品的抗蝕性能優良。
■可用于三相中性點接地或中性點不接地的交流系統。
■斷路器采用三極瓷瓶支柱式結構,三極配用一個彈簧操動機構,居中布置,三極連動。采用自能滅弧原理且在斷路器運動系統中進行了優化設計,故有效地提高了機械效率,最大限度地降低了操作力。
■斷路器橫梁、底座采用8mm厚鋼板彎制鍍鋅,機構箱采用2mm厚不銹鋼板。
■滅弧室瓷套和支撐瓷套由優質高強瓷制成,具有很高的強度和很好的所密性。
■拐臂箱殼體由高強度高氣密性的鋁合金鑄造造而成,在上面設計有定位孔,可以方便地將極柱固定在分閘位置。清晰的位置指示標識,位置指示較大,通過機械連接,動作位置極其可靠。
■ISF6密度控制器(帶壓力表)對斷路器內的SF6氣體的密度進行監視并發出控制信號,具有溫度補償功能。當環境溫度變化而引起SF6氣體壓力變化時,控制器示值不變。只有當SF6氣體泄漏引起氣體密度變化時,控制器才會發出報警及閉鎖信號。
■配用的彈簧操動機構,具有開斷能力強,操作功小,可靠性高等特點。
■控制柜通過6個M20的螺栓連接在基座上,機構輸出軸與B相拐臂連接處、二次線出口處皆有防潮防水的裝置控制柜的內面板上有手動分合閘按鈕,遠方—就地轉換開關、儲能電機開關,斷路器狀態指示牌。
■適用于高海拔環境(2500m)。
■可在-45℃低溫環境下運行。
五、主要技術參數

六、斷路器整體結構面(正面)

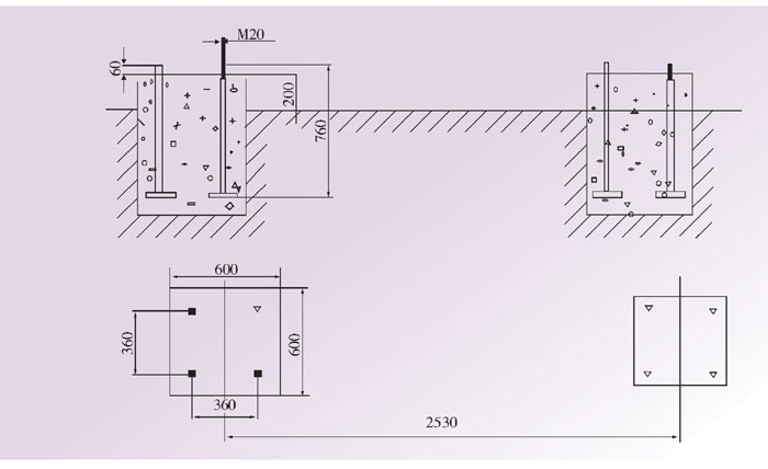
七、地基的安裝

推薦資訊 / Recommended News
- 2022-08-24 持久淺談真空斷路器的理倫
- 2022-08-24 持久淺淡真空斷路器
- 2022-08-24 智能真空斷路器的技術問題解答
- 2022-08-24 ZW32真空斷路器核心作用
- 2022-08-24 真空斷路器比較難處理的問題
- 2022-08-24 高壓真空斷路器的維護安裝
- 2022-07-23 真空斷路器壽命是哪些因素影響的
- 2022-07-23 真空斷路器跳閘次數多有沒有影響
- 2022-07-23 真空斷路器試驗過程中的事項
- 2022-07-23 真空斷路器原則和功能的研究范圍