一、概述:
ZW6-12型戶外高壓真空斷路器(以下簡稱斷路器),是三相交流50Hz、12kV的戶外高壓配電設備,用于開斷、關合電力系統中的負荷電流、過載電流和短路電流,更適用于頻繁操作的場所。斷路器配用CT23彈簧操動機構,可實現電動儲能、電動分合閘,也可手動儲能和手動分合閘。根據用戶需要,斷路器可內裝100/5、200/5、400/5及600/5的電流互感器。內置JSZR-10W干式電壓互感器,加裝一次熔斷器保護,實現自備操作電源,也為配備各種重合器或遠動終端提供操作電源。配套合適的控制系統,可作為重合器或分段器,是城鄉電網無油化改造的首選產品。
二、功能特點:
斷路器本體內置電源變壓器,能可靠的為操作、計量系統供電。
斷路器本體A相、C相內置保護電流互感器,變比范圍100/5~600/5,精度3級。
斷路器本體A相、C相內置計量電流互感器,變比范圍100/5~600/5,精度0.2或0.5S級。
斷路器操作機構預留有電氣接口,可與開關智能控制器配套,實現過流三段式保護、重合閘等功能,并具有通訊接口,可外接無線通信設備,實現遠方遙信、遙控等功能。
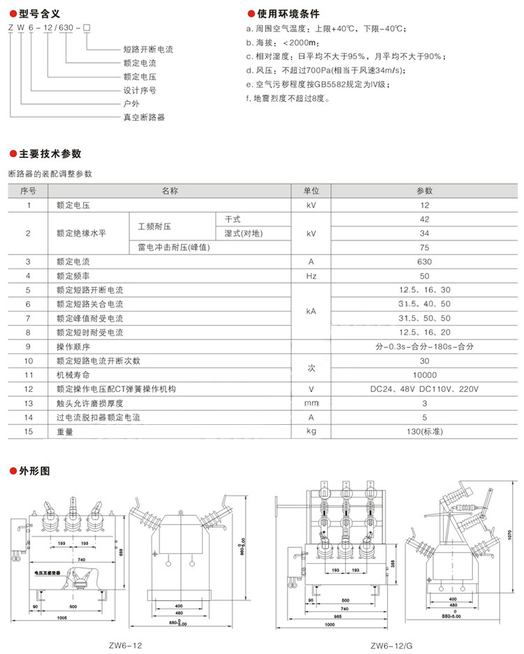
三、使用環境條件:
1、環境溫度:上限+70℃,下限-40℃;
2、海拔高度不超過3000m;
3、風速:≤40m/s;
5、覆冰厚度:小于20mm;
4、 污穢等級:Ⅲ級;
5、地震烈度:不超過8度;
6、無經常性劇烈震動的場所,沒有易燃物質、爆炸危險和化學腐蝕的場所。
2、海拔高度:≤2000m;
3、風壓:≤700pa(相當于風速34/m/s);
4、地震烈度:不大于8度。
四、技術參數
項目 |
單位 |
參數 |
額定電壓 |
KV |
12 |
額定電流 |
A |
630/1250 |
工頻耐受電壓 |
kV |
42/48 |
雷電沖擊電壓(峰值) |
kV |
75/85 |
額定短路開斷電流 |
KA |
12.5 16 20 /20 25 31.5 |
額定短路關合電流(峰值) |
KA |
31.5 40 50 / 50 63 80 |
額定短時耐受電流 |
KA |
12.5 16 20 / 20 25 31.5 |
額定峰值耐受電流 |
KA |
31.5 40 50 /50 63 80 |
額定短路電流開斷次數 |
次 |
30 |
機構壽命 |
次 |
10000 |

推薦資訊 / Recommended News
- 2022-08-24 持久淺談真空斷路器的理倫
- 2022-08-24 持久淺淡真空斷路器
- 2022-08-24 智能真空斷路器的技術問題解答
- 2022-08-24 ZW32真空斷路器核心作用
- 2022-08-24 真空斷路器比較難處理的問題
- 2022-08-24 高壓真空斷路器的維護安裝
- 2022-07-23 真空斷路器壽命是哪些因素影響的
- 2022-07-23 真空斷路器跳閘次數多有沒有影響
- 2022-07-23 真空斷路器試驗過程中的事項
- 2022-07-23 真空斷路器原則和功能的研究范圍